20 vizualizari
Imprima
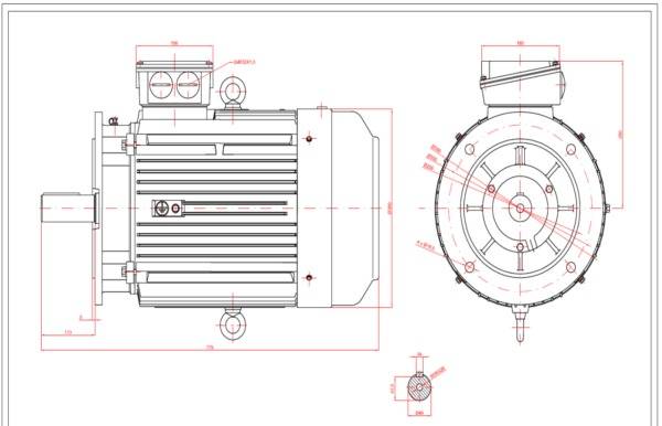
Motor electric trifazat 15kw 1400rpm 160 B5
Putere: 15kw;
Turatie: 1400rpm;
Gabarit: 160;
Diametru ax: 42mm;
Fixare: Flansa mare;
Prindere: B5;
Diametru Flansa: 350mm;
Carcasa din: Aluminiu;
Bobinaj: Cupru;
Uz industrial
Performanta Optima intre Forta si Turatie: Motoare Electrice 4 Poli
Motoarele electrice cu 4 poli, avand o viteza nominala de 1400 RPM, reprezinta alegerea standard in aplicatiile industriale unde este necesar un cuplu ridicat si o functionare stabila. Aceste motoare ofera performante excelente la pornire si in regim continuu, fiind proiectate pentru utilizare intensiva. Constructia solida, cu carcase realizate din fonta sau aluminiu si echipate cu rulmenti de calitate superioara, asigura fiabilitate si o durata lunga de exploatare chiar si in conditii dificile.
Domenii de Utilizare si Eficienta Energetica (IE2, IE3)
Datorita adaptabilitatii lor, motoarele de 1400 rpm pot fi integrate intr-o varietate larga de echipamente industriale. Gama noastra include modele cu clase de eficienta energetica IE2 si IE3, concepute pentru reducerea consumului de energie electrica si optimizarea costurilor de functionare pe termen lung.
Aplicatiile uzuale includ:
- Pompe si hidrofoare, pentru asigurarea debitului si presiunii in instalatii de apa
- Compresoare, utilizate in sisteme de aer comprimat
- Ventilatoare si suflante, pentru aplicatii de ventilatie si aerisire
- Reductoare si benzi transportoare, in linii de productie cu functionare continua
- Masini-unelte, mixere, mori si alte utilaje pentru prelucrare si procesare
Recomandari pentru Alegerea Corecta si Accesorii Compatibile
Selectarea corecta a motorului electric si a componentelor auxiliare este esentiala pentru obtinerea unor performante optime si pentru protejarea echipamentului.
1. Stabilirea parametrilor tehnici: Identificati puterea necesara (kW), tipul de montaj dorit – cu talpa (B3) sau cu flansa (B5/B14) – precum si conditiile de lucru, pentru alegerea unui grad de protectie IP corespunzator.
2. Transmisie eficienta a miscarii: Utilizarea cuplajelor elastice adecvate contribuie la reducerea vibratiilor, la alinierea corecta si la prelungirea duratei de viata a motorului si a utilajului actionat.
3. Reglarea turatiei: In aplicatiile unde este necesara varierea vitezei de rotatie, motoarele pot fi controlate cu precizie prin intermediul unui convertizor de frecventa trifazat.
Consultanta Tehnica si Suport Personalizat
Ofer asistenta tehnica gratuita pentru alegerea motorului trifazat de 1400 rpm si a accesoriilor potrivite, in functie de cerintele specifice ale proiectului dumneavoastra. Va stau la dispozitie pentru recomandari si oferte personalizate, astfel incat sa realizati o investitie sigura si eficienta. Contactati-ma pentru detalii suplimentare si solutii adaptate nevoilor dumneavoastra.
Turatie: 1400rpm;
Gabarit: 160;
Diametru ax: 42mm;
Fixare: Flansa mare;
Prindere: B5;
Diametru Flansa: 350mm;
Carcasa din: Aluminiu;
Bobinaj: Cupru;
Uz industrial
Performanta Optima intre Forta si Turatie: Motoare Electrice 4 Poli
Motoarele electrice cu 4 poli, avand o viteza nominala de 1400 RPM, reprezinta alegerea standard in aplicatiile industriale unde este necesar un cuplu ridicat si o functionare stabila. Aceste motoare ofera performante excelente la pornire si in regim continuu, fiind proiectate pentru utilizare intensiva. Constructia solida, cu carcase realizate din fonta sau aluminiu si echipate cu rulmenti de calitate superioara, asigura fiabilitate si o durata lunga de exploatare chiar si in conditii dificile.
Domenii de Utilizare si Eficienta Energetica (IE2, IE3)
Datorita adaptabilitatii lor, motoarele de 1400 rpm pot fi integrate intr-o varietate larga de echipamente industriale. Gama noastra include modele cu clase de eficienta energetica IE2 si IE3, concepute pentru reducerea consumului de energie electrica si optimizarea costurilor de functionare pe termen lung.
Aplicatiile uzuale includ:
- Pompe si hidrofoare, pentru asigurarea debitului si presiunii in instalatii de apa
- Compresoare, utilizate in sisteme de aer comprimat
- Ventilatoare si suflante, pentru aplicatii de ventilatie si aerisire
- Reductoare si benzi transportoare, in linii de productie cu functionare continua
- Masini-unelte, mixere, mori si alte utilaje pentru prelucrare si procesare
Recomandari pentru Alegerea Corecta si Accesorii Compatibile
Selectarea corecta a motorului electric si a componentelor auxiliare este esentiala pentru obtinerea unor performante optime si pentru protejarea echipamentului.
1. Stabilirea parametrilor tehnici: Identificati puterea necesara (kW), tipul de montaj dorit – cu talpa (B3) sau cu flansa (B5/B14) – precum si conditiile de lucru, pentru alegerea unui grad de protectie IP corespunzator.
2. Transmisie eficienta a miscarii: Utilizarea cuplajelor elastice adecvate contribuie la reducerea vibratiilor, la alinierea corecta si la prelungirea duratei de viata a motorului si a utilajului actionat.
3. Reglarea turatiei: In aplicatiile unde este necesara varierea vitezei de rotatie, motoarele pot fi controlate cu precizie prin intermediul unui convertizor de frecventa trifazat.
Consultanta Tehnica si Suport Personalizat
Ofer asistenta tehnica gratuita pentru alegerea motorului trifazat de 1400 rpm si a accesoriilor potrivite, in functie de cerintele specifice ale proiectului dumneavoastra. Va stau la dispozitie pentru recomandari si oferte personalizate, astfel incat sa realizati o investitie sigura si eficienta. Contactati-ma pentru detalii suplimentare si solutii adaptate nevoilor dumneavoastra.